与其它阀类相比具有以下优点:
1、 球阀是所有阀类中流阻最小的一种。可以根据不同介质流量进行缩径,其流体阻力也相当小。
2、 球阀开关迅速方便,只要阀杆转动90°就能完成全开或全关动作,从而实现快速启闭。气动球阀通常配置各种附件,比如电磁阀、气源处理三联件、限位开关、定位器等,以实现就地控制和远距离集中控制。气动调节球阀采用角行程气缸和电气阀门定位器配套,通过输入4-20mADC信号和气源即可控制运行,并能实现对压力、流量、温度、液位等参数的调节。
3、三通四通多通道同心全部球面型控制阀,采用多阀座结构,简化管道设计,减少占据空间,实现管道中介质流向的切换、分流。三通式主要为T型和L型。四通式主要为LL型。
4、 球阀阀杆密封可靠,球阀启闭时只需通过执行器做旋转运动,阀杆与其它接触部位的摩擦较小,不易被破坏。球阀的启闭与自动化装置配套使用,更容易实现自动化控制快速启闭。
5、 球阀通道平整光滑,不易沉积介质,便于管路清洁。
标准规格
公称通径DN | 15 | 20 | 25 | 32 | 40 | 50 | 65 | 80 | 100 | 125 | 150 | 200 |
流量系数(Kv) | 25.7 | 50 | 93.4 | 170 | 250 | 476 | 880 | 1290 | 2280 | 3800 | 5360 | 9920 |
可调动作范围 | 0-90º | |||||||||||
允许压差△P | ≤公称压力 | |||||||||||
泄漏量 | 金属阀座符合ANSI B16.104 V级;软密封阀座符合ANSI B16.104 VI级 | |||||||||||
环境温度 | -20~60℃ | |||||||||||
基本误差 | ±2.5% | |||||||||||
回差 | ±2.5% | |||||||||||
死区 | 1% | |||||||||||
可调范围 | 100:1 | |||||||||||
性能参数
型 号 名 称 | 电动(三通四通)多通道同心全部球面型控制阀WR-53300 | |
阀
体
部
分
| 压力等级 | ANSI CLASS 150、300,;JIS10K、20K、30K;PN1.6~6.4MPA |
连接方式 | 法兰式 | |
连接标准 | HG/T20592-2009;HG/T20615-2009;GB/T9113-2010; | |
材料 | WCB、CF8、CF8M | |
操作温度 | -29ºC~+400ºC | |
填料 | 柔性石墨、聚四氟乙烯V型填料 | |
流量特性 | 快开特性 | |
密封材料 | 金属阀座、聚四氟乙烯PTFE | |
执
行
机
构
| 气动角行程 | WDR/WSC系列气动执行机构 |
气 源 | 0.4~0.8 MPA | |
信号输入 | 输入4~20mA | |
环境温度 | -20~+60℃ | |
气动形式: | 单作用/双作用 | |
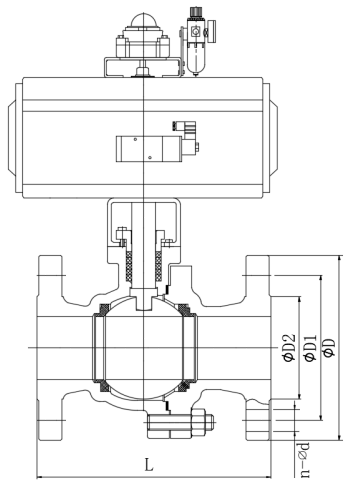
外形尺寸

PN16 三通四通球阀主要外型和连接尺寸
通径 DN | 外形尺寸 | 连接尺寸 | |||
L | D | D1 | D2 | n-Φd | |
15 | 150 | 95 | 65 | 46 | 4-14 |
20 | 160 | 105 | 75 | 56 | 4-14 |
25 | 180 | 115 | 85 | 65 | 4-14 |
32 | 200 | 140 | 100 | 76 | 4-18 |
40 | 220 | 150 | 110 | 84 | 4-18 |
50 | 240 | 165 | 125 | 99 | 4-18 |
65 | 260 | 185 | 145 | 118 | 4-18 |
80 | 280 | 200 | 160 | 132 | 8-18 |
100 | 320 | 220 | 180 | 156 | 8-18 |
125 | 380 | 250 | 210 | 184 | 8-18 |
150 | 440 | 285 | 240 | 210 | 8-22 |
200 | 550 | 335 | 295 | 265 | 12-22 |
250 | 670 | 405 | 355 | 320 | 12-25 |
300 | 720 | 460 | 410 | 375 | 12-25 |
注意事项
1)必须先查明球阀上、下游管道确已卸除压力后,才能进行拆卸分解操作。
2)装配时法兰上的螺栓必须对称、逐步、均匀地拧紧。
3)清洗剂应与球阀中的橡胶件、塑料件、金属件及工作介质(例如燃气)等均相容。工作介质为燃气时,可用汽油清洗金属零件。非金属零件用纯净水或酒精清洗。
4)分解下来的每单个球阀零件可以用浸洗方式清洗。尚留有未分解下来的非金属件的金属件可采用干净的细洁的浸渍有清洗剂的绸布擦洗。清洗时须去除一切粘附在壁面上的油脂、污垢、积胶、灰尘等。
5)球阀分解及再装配时必须小心防止损伤零件的密封面,特别是非金属零件,取出O型圈时宜使用专用工具。
6)清洗后需待被洗壁面清洗剂挥发后进行装配,但不得长时间搁置,否则会生锈、被灰尘污染。
7)使用润滑脂润滑。润滑脂应与球阀金属材料、橡胶件、塑料件及工作介质均相容。密封件安装槽的表面上涂一薄层润滑脂,在橡胶密封件上涂一薄层润滑脂,阀杆的密封面及摩擦面上涂一薄层润滑脂。
8)装配时应不允许有金属碎屑、纤维、油脂(规定使用的除外)灰尘及其它杂质、异物等污染、粘附或停留在零件表面上或进入内腔。
维护保养
1)每半年检查阀门的密封性,通过排污嘴来检查,如果有内漏,按内漏处理程序进行处理。
2)检修时向阀座注入一定量的新鲜润滑脂,注入的量和频率依照阀门活动频繁程度而定,一般当阀门活动一次后,要适量注入润滑脂,每次注入量大概为密封系统容积的1/8,这样做的目的是最大程度的避免管道内的杂质进入阀座后腔,影响阀座运动,从而导致密封失效,同时保证密封面时刻处于“湿润”状态。
3)对很少活动的阀门,每年最少活动一次,同时注入适量的润滑脂,这样做可以避免球体和阀座胶合,同时也可以避免球体活动时地干磨,保护阀座和球体。
4)入冬前对球阀进行全面维护和保养,重点要排掉阀腔内和执行机构内的水,避免冬天冻结,影响正常功能。
故障处理
一,球阀内漏
1早期注入的密封脂变硬。2密封面划伤。3阀座与球体间有杂物。4关不到位。
排除方法:1清洗密封面和阀座后缓慢注入密封脂。2更换阀座。3清洗阀门内腔。4顺时针拧紧手柄或手轮。
二,阀杆外漏
长时间磨损老化。排除方法:缓慢注入密封脂。更换密封填料。
三,排污嘴泄漏
注脂嘴内部单向阀破损。排除方法:更换注脂嘴。
四,两端法兰泄漏
1管法兰压紧力不足。2垫片失效。排除方法:1拧紧法兰螺栓。2更换垫片。
五, 气动部件不动作:
1. 阀门内有异物卡住,造成转矩过大。2.气路故障;
排除方法:1.就应及时排除阀内异物,保持清洁;2.检查气动定位器、减压阀、过滤器、接头管路,看配件是否损坏、失灵和漏气。